Технологии построения оптических столов
Почему именно оптические столы – критически важный элемент лабораторий?
Лаборатории и промышленные объекты содержат разнообразное оборудование, чувствительное к вибрации, которое используется для исследований и производства в таких областях, как лазерные исследования, высокоразрешающая визуализация, производство полупроводников и биотехнологии. Введение электрических зондов в ядра живых клеток, травление субмикронных линий в наноструктурах или получение изображений с помощью сканирующего электронного микроскопа требуют, чтобы уровень вибрации в лабораторных условиях был значительно ниже порога восприятия человека. Вибрации пола могут вызывать смещение компонентов системы визуализации, образцов, лазеров или подложек относительно друг друга, что приводит к размытости изображений, низкой производительности и ошибочным результатам. Степень влияния этого относительного смещения на результаты зависит от амплитуды и частоты вибраций окружающей среды, а также от чувствительности эксперимента. Распространенные источники шума и вибраций показаны на рисунке 1.
Рисунок 1. Источники механического шума или вибрации в типичной лабораторной обстановке
- оборудование (10–200 Гц)
- уличное движение (5–100 Гц)
- акустические вибрации (выше 20 Гц)
- моторизованное оборудование и инструменты (10–500 Гц)
- резонанс зданий на первом и верхних этажах (5–50 Гц)
- колебания высотных зданий (0,1–5 Гц)
Основы контроля вибрации
Системы контроля вибрации, включающие виброизоляторы и оптические столы, предназначены для минимизации воздействия вибрации окружающей среды. Оптический стол служит общей основой для всего оптико-механического узла. Оптико-механические компоненты, такие как стойки, стержни и крепления, а также позиционирующие платформы, предназначены для фиксации оптических элементов на месте, чтобы оптические пути не нарушались воздействиями окружающей среды, такими как вибрация. В этом разделе описываются основы вибрации и то, как эти концепции соотносятся с измеримыми параметрами, такими как податливость и максимальное относительное движение. Затем эти концепции используются для понимания того, как различные системы реализуют изоляцию и демпфирование, чтобы минимизировать воздействие вибрации.
Историческая справка: эволюция от массивных плит до активных систем
Концепция виброизоляции в высокоточной технике прошла долгий путь от примитивных механических решений до современных активных систем, использующих датчики и умное управление. Первые подходы были максимально простыми: оборудование устанавливали на массивные столы или платформы, под которые подкладывали резиновые прокладки или пружины. Основная идея заключалась в том, чтобы механически ослабить передачу вибраций от пола к чувствительным приборам. Такие методы были дешевыми и не требовали сложной настройки, но сильно ограничивались физикой: они плохо работали на низких частотах, а на собственных частотах конструкции часто приводили к усилению вибраций вместо их подавления.
Рисунок 2 и 3. Схема изолятора вертикального движения со средствами для компенсации изменяющихся весовых нагрузок и Система демпфирования
Со временем инженеры начали совершенствовать пассивные изоляторы. Появились системы с тщательно рассчитанными упругими элементами, демпферами, воздушными опорами и жесткими усиленными рамами. Главной задачей стало снижение собственной частоты виброизолятора и повышение стабильности конструкции. Эти усовершенствованные решения значительно повысили качество изоляции, особенно в микрометрических задачах, однако и они имели фундаментальные пределы: нельзя было гибко адаптироваться к разным условиям, а вибрации в низкочастотной области оставались серьёзной проблемой.
Принципы работы и физические основы виброизоляции
Принцип виброизоляции
Вибрация – это повсеместное явление во вселенной, обозначающее возвратно-поступательное движение объектов или частиц вокруг их положений равновесия. Ее интенсивность измеряется смещением, скоростью или ускорением.
Вибрационные возмущения присутствуют повсеместно и происходят из различных источников во всем спектре частот. Для оптических столов типичные возмущения включают: вибрации, передаваемые по земле (0,1–10 Гц); движение, вызванное приборами на столешницах (10–500 Гц); акустические вибрации (<20 Гц); возмущения от дорожного движения (5–100 Гц); движение персонала лаборатории (1–3 Гц). В практических приложениях необходимо принимать соответствующие меры в зависимости от конкретных условий, чтобы смягчить или устранить воздействие вибрационных возмущений.
Виброизоляция является эффективной техникой подавления. Ее основной принцип заключается в использовании упругих элементов, демпфирующих компонентов и вспомогательных устройств для отделения источников вибрации от защищаемого оборудования (например, прецизионных приборов). Такое отделение сводит к минимуму вибрационные помехи, обеспечивая тем самым стабильность работы и высокую точность измерений.
Классификация виброизоляции
Виброизоляционный стол обычно состоит из массивной верхней платформы, поддерживаемой механизмом виброизоляции. Тяжёлая платформа, в соответствии с принципом инерции, сопротивляется перемещению даже под воздействием внешних вибраций, подобно тому, как большой корабль сохраняет устойчивость на небольших волнах.
Рисунок 4. Иллюстрация того, как масса (два левых рисунка) и пружина (два правых рисунка) влияют на собственную частоту системы, совершающей простое гармоническое движение
Существует два основных метода виброизоляции: пассивная изоляция с использованием пневматических опор и активная изоляция с использованием датчиков и исполнительных механизмов для динамического противодействия вибрациям.
В зависимости от методов реализации, методы виброизоляции подразделяются на активную виброизоляцию (рис. 5) и пассивную виброизоляцию (рис. 6).
Рисунок 5. Активная виброизоляция
Технология, которая противодействует исходным вибрациям путем применения противоположных сил или противовибраций. Она использует внешние источники энергии (электрические или пневматические) для приведения в действие приводов, которые генерируют противофазные вибрации, обеспечивая тем самым активное управление вибрациями. Системы активной виброизоляции обычно состоят из трех основных компонентов: датчиков, контроллеров и приводов. Датчики отвечают за мониторинг вибрации оборудования, контроллеры анализируют эти данные и выдают команды, а приводы генерируют противофазные вибрации в соответствии с инструкциями контроллера. Характеристики активной виброизоляции: быстрое реагирование, широкая рабочая полоса пропускания и превосходная стабильность по сравнению с пассивной виброизоляцией, подходит для применений, требующих высокой точности и быстрого реагирования (таких как прецизионные инструменты или высокотехнологичное оборудование), но требует внешнего источника энергии, высокой стоимости системы, а также регулярного обслуживания и калибровки.
Пассивная виброизоляция
Рисунок 6. Пассивная виброизоляция
Технология рассеивания энергии с использованием демпфирующих материалов/конструкций для поглощения энергии вибрации. Обычно используются резиновые изоляторы, металлические пружинные изоляторы и пневматические пружинные изоляторы. Эти изоляторы обычно изготавливаются из специальных материалов, обеспечивающих хороший эффект виброизоляции. Пассивная виброизоляция характеризуется отсутствием необходимости во внешнем энергоподаче, низкой стоимостью системы и минимальным объемом технического обслуживания, но скорость переходного отклика относительно низкая. Поэтому пассивная виброизоляция более подходит для случаев, когда важна стоимость или требования к производительности относительно умеренные.
Принцип пассивной виброизоляции и готовые решения
Основные оптические платформы, представленные на рынке, такие как оптические платформы с демпфирующей виброизоляцией, оптические платформы с пневматической подвеской и маятниковые изоляторы с пневматической подвеской, используют технологию пассивной виброизоляции. Ниже представлен принцип пассивной виброизоляции.
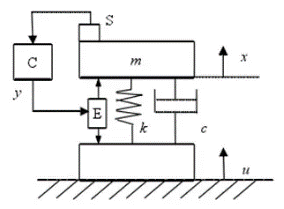
На рисунке 7 показана упрощенная механическая модель типичной системы виброизоляции с одной степенью свободы, в которой m — масса изолируемого объекта, k — коэффициент жесткости, c — коэффициент демпфирования, x — смещение изолируемого объекта, а x1 — смещение источника вибрации.
Рисунок 7. Упрощенная механическая модель системы виброизоляции с одной степенью свободы
Компания LBTEK – лидер в области оптомеханики в Китае – предлагает высокоточные оптические столы с воздушными маятниковыми виброизоляторами и бесшумными воздушными компрессорами. Столешница изготовлена из магнитной нержавеющей стали толщиной 5 мм. В каталоге LBTEK оптические столы размерами от 1200 мм x 800 мм до 3000 мм x 1500 мм. Также возможно изготовление по индивидуальным требованиям заказчика, таких как специальные размеры, соединенные столы.
Характеристики столешниц
Внутренняя структура сотовой столешницы показана на рисунке 8.
Рисунок 8. Схематическая диаграмма внутренней структуры оптической настольной поверхности
Статическая жесткость
Статическая жёсткость определяет способность столешницы оптического стола минимизировать прогибы и относительные перемещения компонентов при статической нагрузке. Таким образом, более высокая статическая жёсткость способствует поддержанию точного и лучшего совмещения элементов, что обеспечивает бесперебойную работу системы. Более того, более высокая статическая жёсткость тесно связана с высокой собственной частотой колебаний столешницы, предотвращая наложение низкочастотных колебаний, которые не подавляются виброизоляторами.
Динамическая жесткость
Динамическая жесткость определяет способность столешницы оптического стола противостоять прогибу под воздействием внешних сил, таких как вибрация пола, акустический шум и механические воздействия на её поверхность. Оптическая столешница с более высокой динамической жёсткостью гасит резонанс конструкции, возникающий вследствие вибрации пола, передаваемой через пневматические изоляторы.
Материал
Основой конструкции служат высокопрочные пластины из нержавеющей стали марки 430, отличающиеся повышенной устойчивостью к механическим нагрузкам и внешним воздействиям.
Эта сталь обладает высокой твердостью и износостойкостью, что позволяет поверхности сохранять форму и геометрию даже при длительной эксплуатации под интенсивными нагрузками. Благодаря своей структуре, нержавеющая сталь 430 практически не подвержена коррозии в условиях нормальной эксплуатации, что увеличивает срок службы изделия и сохраняет стабильность его характеристик без необходимости частого обслуживания.
Конструкция с сотовым сердечником
Внутренняя структура изделия выполнена в виде сотового сердечника, который сочетает в себе лёгкость и высокую прочность. Такой принцип широко применяется в авиационной и космической промышленности благодаря своей эффективности в распределении нагрузки.
Сотовая структура увеличивает жесткость панели при минимальном увеличении веса, обеспечивая высокую устойчивость к изгибу и скручиванию. Каждый шестиугольный элемент в honeycomb-структуре работает как независимый опорный узел, равномерно принимая и передавая нагрузку по всей поверхности.
Плоскостность и точность
Одним из ключевых факторов эффективности изделия является идеально ровная и стабильная рабочая поверхность. Для достижения высоких параметров плоскостности используется прецизионная механическая обработка в сочетании с многоступенчатым контролем качества. Результатом является поверхность с минимальными отклонениями по форме, что критически важно при использовании изделия в задачах, где важна высокая точность.
Такая точность исключает влияние геометрических дефектов на результаты измерений и гарантирует стабильность параметров в течение всего срока эксплуатации.
Стандартная сотовая оптическая макетная плита компании LBTEK изготовлена в соответствии с требованиями стандарта точности. Столешница изготовлена из нержавеющей стали с матовой текстурой, что сводит к минимуму отражение света от поверхности и его влияние на оптические системы. Сотовая структура сердцевины обработана с помощью технологии склеивания, что обеспечивает меньшее напряжение и амортизационный эффект, а также более высокую стабильность.
Тройная пружинная подвеска с воздушной амортизацией
LBTEK предлагает столы с амортизацией, платформы с пневматической подвеской и столы с пневматической подвеской и амортизацией, причем последние обеспечивают оптическую виброизоляцию.
Система амортизации использует тройные пружинные опоры с воздушной подвеской, конструкция которых подробно показана на рисунке 9.

Рисунок 9. Схематическая диаграмма конструкции пневматической подвески с тройным маятником
①: Ламинарные демпфирующие элементы микронного уровня в системе впуска улучшают демпфирующие характеристики за счет оптимизированного соединения воздушного потока. Создают более высокие демпфирующие силы для более быстрого рассеивания энергии на каждый ход поршня.
②: Почерненное защитное кольцо защищает воздушную пленку и предотвращает попадание пыли.
③: Встроенный стабилизатор диафрагмы обеспечивает равномерную и стабильную работу воздушной пленки.
④: Механизм регулировки высоты ±10 мм для точного выравнивания.
⑤: Модуль безопасности против падения защищает целостность клапана во время опускания платформы.
⑥: Датчик выравнивания плиты.
⑦: Конструкция смешанной камеры максимально увеличивает объем при компактных размерах, одновременно снижая собственные частоты.
⑧: Трехточечная маятниковая система устраняет трение, которое ухудшает высокоточные приложения, обеспечивая виброизоляцию и перепозиционирование на более высоком уровне после возмущения.
В подобной системе виброизоляции характеристики маятника тройного механизма сочетаются с гидростатическими принципами виброизоляции и воздушной подвеской, образуя высокоэффективный механизм гашения вибрации. Когда на систему воздействуют внешние вибрации, тройной маятниковый механизм генерирует колебательное движение, чтобы поглотить и рассеять энергию вибрации. Одновременно с этим, изоляционный слой пневматической подвески обеспечивает стабильную опору и дополнительное демпфирование, что еще больше снижает передачу вибраций. Такая комбинированная схема позволяет системе обеспечивать высокоточную многокоординатную виброизоляцию, что делает её особенно эффективной для высокоточного оборудования и приборов, чувствительных к низкочастотным вибрациям.
Собственная частота оптического стола
Собственная частота обозначает собственную частоту колебаний свободно вибрирующих объектов, определяемую распределением массы, геометрией конструкции и жесткостью материала. Более низкие собственные частоты улучшают характеристики виброизоляции. Кроме того, собственная частота также подразделяется на вертикальную и горизонтальную.
Вертикальная собственная частота: критически важна для изоляции вибраций от земли. Более низкие значения улучшают стабильность в прецизионных экспериментах.
Горизонтальная собственная частота: влияет на точность позиционирования приборов, несмотря на меньшее общее воздействие.
Вертикальная собственная частота маятниковых столов с пневматической подвеской, поставляемых LBTEK, составляет 1,0~1,7 Гц (в зависимости от нагрузки), а горизонтальная собственная частота — 1,0~1,5 Гц (в зависимости от нагрузки). Обычно она определяется с помощью испытания ударным молотком: датчик низкочастотной скорости помещается на оптический стол, и по столу ударяют ударным молотком, чтобы сгенерировать сигнал возбуждения ударного молотка и сигнал отклика. Датчик передает сигналы на коллектор, а затем выполняет анализ передаточной функции для получения собственной частоты (рис. 10).
Рисунок 10. Интерфейс программного обеспечения от компании LBTEK для тестирования собственной частоты
АО «ЛЛС» является дистрибьютором и представляет весь спектр продукции LBTEK на территории РФ и стран СНГ и предлагает наиболее выгодные условия поставки продукции, полную техническую поддержку, а также поставку образцов. Получить дополнительную информацию вы можете, обратившись в нашу компанию.
Автор статьи: Кирилл Стеховский, группа «Оптика и оптомеханика»
Анонсы статей, мероприятий и еще больше научно-познавательного контента по ссылке в нашем Telegram-канале.
