АО «ЛЛС»
Интернет-магазин представительского класса
Каталог
Лазеры и лазерные системы
Непрерывные лазеры
Непрерывные волоконные лазеры
Непрерывные твердотельные лазеры
Непрерывные газовые лазеры
Непрерывные диодные лазеры
Импульсные лазеры
Импульсные волоконные лазеры
Импульсные твердотельные лазеры
Импульсные диодные лазеры
Широкополосные источники излучения
Драйверы и аксессуары
Технологические лазерные комплексы
Компактные лидары и лазерные дальномеры
Оптомеханика
Оптические столы и плиты. Рабочие места.
Оптические столы
Готовые рабочие места
Полки и стеллажи
Защитные шторы и оптические барьеры
Ламинарные станции
Системы активной виброизоляции
Пневмоопоры и опоры
Пьезомеханика
Пьезоактуаторы
Многоосевые пьезопозиционеры
Гексаподы
Линейные позиционеры
Гониометры
Микрофабрикация
Поворотные позиционеры
Вертикальные позиционеры
Сканирующие системы для объективов
Пьезокерамика
Пьезоплатформы
Пьезосканеры
Комбинированные пьезотрансляторы
Микрометрические ёмкостные датчики
Контроллеры
Моторизованные позиционеры и контроллеры
Моторизованные трансляторы
Моторизованные трансляторы с прямым приводом
Моторизованные поворотные платформы
Моторизованные вертикальные трансляторы
Моторизованные держатели оптики
Моторизованные гониометры
Моторизованные аттенюаторы
Моторизованные ирисовые диафрагмы
Контроллеры и источники питания
Моторизованные винты и приводы
Моторизованные трансляторы для работы в вакууме
Механические трансляторы
Механические поворотные платформы
Линейные трансляторы
Вертикальные трансляторы
Трансляторы для работы в вакууме
Наклонные платформы
Многоосевые трансляторы
Системы пневматической виброизоляции
Каркасные системы
Крепления фильтров для каркасных систем
Кинематические крепления зеркал для каркасных систем
Крепление поляризатора для каркасных систем
Стержни для сборки каркасных систем
Кубические крепления светоделителей для каркасных систем
Оптоволоконная механика
Станции стыковки волокна и зондовые станции для ФИС
Держатели оптики
Оправы
Оправы для зеркал
Кинематические оправы
Оправы для фиксации оптики
Настраиваемые оптические оправы
Оправы для крупногабаритной оптики
Аксессуары для крепления зеркал и объективов
Крепления ND фильтров
Базы, крепления и аксессуары
Кронштейны и рельсы
Микрометрические и точные винты
Аксессуары для лазеров
Решения по техническим требованиям
Системы управления излучением
Расширители пучка
Аттенюаторы
Формирователи пучка
Затворы и диафрагмы
Крепления для цилиндрических объектов
Инструменты управления лучом
Визуализаторы излучения
Очки для защиты от лазерного излучения
Контрольно-измерительное оборудование
Оптические платформы
Шасси и модули в формате RTS OMEGA
Шасси и контроллеры в формате PXI
Модули в формате PXI
Шасси и модули платформы AP1000
Оптическая платформа 8163B / 8164B
Шасси и модули платформы OSICS
Шасси и модули платформы LTB-8
Оптическая платформа серии MS
Эталонные газовые ячейки
Эталонные газовые ячейки с волоконным вводом/ выводом
Эталонные газовые ячейки с free space вводом/ выводом
Эталонные проточные ячейки
Источники лазерного излучения
Перестраиваемые лазерные источники
Фиксированные лазерные источники
Широкополосные лазерные источники
Портативные источники лазерного излучения
Оптические анализаторы спектра
Векторные анализаторы цепей
Измерители оптической мощности и энергии
Датчики мощности на термоэлементах
Фотодиодные датчики мощности
Пироэлектрические датчики энергии
Консоли для вывода информации
Интегрирующие сферы
Готовые комплекты для измерений
Модульные измерители оптической мощности
Настольные измерители оптической мощности
Портативные измерители оптической мощности
Аксессуары
Анализаторы оптических компонентов
Оптические усилители мощности
Оптические переключатели
Спектрометры и спектральное оборудование
Модульные спектрометры
Рамановские спектрометры
Источники света
Лабораторные и промышленные рамановские анализаторы
Перестраиваемые оптические фильтры
Автокорреляторы
Анализ и контроль поляризации и дисперсии
Электрооптические и оптоэлектронные конвертеры
Анализаторы профиля пучка
Профилирование пучка
Измерители М2
Осциллографы
Осциллографы реального времени
Стробоскопические осциллографы
Специальные решения
Когерентная передача данных
Оптические анализаторы сигналов и импульсов
Оптические рефлектометры
Стартовые блоки OTDR
Контроль оптоволокна и коннекторов
Тестеры коэффициента битовых ошибок (BERT)
Транспортные анализаторы
Оптическая когерентная томография
Оптические частотные гребенки
Терагерцовая техника
Переменные оптические аттенюаторы
Интерферометры
Волоконные интерферометры, контроль сколов
Лазерные интерферометры
Станции для тестирования фотонных интегральных схем (ФИС)
Испытания ВЧ и микроволновых устройств
Измерители электрической мощности и анализаторы качества
Анализ лазерного излучения
Волоконно-оптические линии связи (ВОЛС) и Радиофотоника
Тракты трансляции аналоговых сигналов (радифотонные модули)
Оптические трансиверы (приемопередатчики)
SFP/SFP+ (2-х волоконные, Bidi)
SFP/SFP+ (WDM)
SFF (2-х волоконные, Bidi)
SFF (WDM)
SFP28 / QSFP28 / QSFP+ (2-х волоконные, Bidi, WDM)
Для пайки (нестандартные форм-факторы) (2-х волоконные, Bidi, WDM)
SFP LTE / SFP+ LTE (CPRi – OBSAI) трансиверы (2-х волоконные, Bidi, WDM)
CFP / CFP2 / CFP4 трансиверы (2-х волоконные)
SFP медные трансиверы
Приемники и передатчики для цифровой передачи
CXP и Многоканальные оптические трансиверы (MPO/MTP)
Компоненты для когерентной передачи данных
Когерентные трансиверы
Когерентные приемники (ICR)
Когерентные модуляторы
Интерферометры для 3D анализа геометрии оптических коннекторов
Интерферометры
Оправы для интерферометров
Оборудование для квантовых технологий
Передача мощности по волокну (Power Over Fiber)
Источники излучения
Готовые отладочные наборы
Фотовольтаические преобразователи
Понижающие DC/DC преобразователи для фотовольтаических преобразователей
Оптические медиаконвертеры
Медиаконвертеры Ethernet
Медиаконвертеры RS-232 / RS-422 / RS-485
USB удлинители
HDMI и VGA удлинители
Герметичные оптические переходы
Оптические вращающиеся переходы
Пассивные оптические компоненты
Оптические аттенюаторы (FM (Папа-Мама) / Розетки / Переменные)
Оптический кабель (армированный и патч-кордовый)
Соединительные элементы
Инструменты и расходные материалы
Инструмент для обработки оптического волокна
Инструмент для обработки кабеля
Расходные материалы (пленки, салфетки, приспособления для чистки и пр.)
Тестеры целостности/детекторы повреждений (лазерные указки)
Микроскопы для проверки коннекторов
Лазерные диоды
Одномодовые лазерные диоды
Лазерные диоды < 600 нм
Лазерные диоды 600 - 950 нм
Лазерные диоды накачки 980 нм
Задающие лазерные диоды 10xx нм
Лазерные диоды 1100 - 1290 нм
Лазерные диоды накачки 1480 нм
Лазерные диоды 1310 - 1650 нм и CWDM/DWDM
Лазерные диоды > 1650 нм
Многомодовые лазерные диоды
Модули с волоконным выводом излучения
Модули с волоконным выводом излучения и стаблизиацией по длине волны
Одиночные излучатели на сабмаунте
Одиночные излучатели на открытом радиаторе
Модули с выводом излучения в пространство (free-space)
Несмонтированные одиночные излучатели
Диодные матрицы и линейки
Линейки лазерных диодов
Вертикальные матрицы
Горизонтальные матрицы
Перестраиваемые диодные сборки
Перестраиваемые лазерные сборки
Свипирующие лазерные источники
Суперлюминесцентные диоды
Драйверы и отладочные платы для лазерных диодов
Драйверы для одномодовых лазерных диодов (< 5А)
Драйверы для многомодовых лазерных диодов (> 5А)
ТЕС - контроллеры
Волоконно-оптические системы мониторинга
Распределенные датчики
Системы опроса точечных датчиков
Источники излучения для интеррогаторов
Системы тестирования катушек для ВОГ
Точечные датчики и ВБР
Датчики на ВБР
Волоконные брэгговские решетки
Эталонные газовые ячейки
Оптические и электрические разъемы
Оптические разъемы и сборки
Оптические адаптеры (Проходные/Гибридные)
Оптические коннекторы (LC, FC, SC, ST, SMA)
Сборки и разъемы серии Expanded Beam (MIL-DTL-83526)
ODVA, IP-разъемы и сборки
Гибридные разъемы
MPO/MTP Коннекторы
ODC коннекторы
Многоканальные защищенные разъемы с MT феррулами
Оптические кабельные сборки
Многоканальные сборки и разъемы серии 38999 (MIL-DTL-38999/GJB599A)
Электрические разъемы и сборки
Прямоугольные соединители
Цилиндрические соединители
Пассивные волоконные компоненты
Разветвители
Сплиттеры
С сохранением поляризации
Модульное исполнение
Компоненты спектрального и модового уплотнения (WDM/MDM)
Компоненты мультиплексирования WDM/CWDM/DWDM
С сохранением поляризации/гибридные
Модульные решения
Циркуляторы
Фильтры
Пассивные компоненты управления поляризацией
Вращатели Фарадея и Фарадеевские зеркала
In-line / Линейные поляризаторы
Делители/Объединители поляризационных составляющих - PBC/PBS
Гибридные компоненты
Волоконные брэгговские решетки и системы на их основе
ВБР для волоконных лазеров
Волоконные брэгговские фильтры
Компенсаторы дисперсии
Решения для растяжения и сжатия лазерных импульсов
Волоконные брэгговские решетки для спец применений
Патч-корды со специальными волокнами
Вывод излучения
Материалы для изготовления пассивных волоконно-оптических компонентов
Объединители накачки и сигнала
Объединители 2х1/3х1/7х1
Объединители (2+1)х1
Объединители (6+1)х1
Объединители (18+1)x1
Сигнальные объединители
Адаптеры поля моды и стрипперы оболочечных мод
Изоляторы
Волоконно-оптические изоляторы
Оптические изоляторы free-space
Изоляторы Fiber - IN / Free space - OUT
Модовые мультиплексоры
Эталонные газовые ячейки
Волоконные сборки
Элементы управления излучением
Электрооптические модуляторы
Амплитудные волоконные модуляторы
Фазовые волоконные модуляторы
Специальные волоконные модуляторы
Ячейки Поккельса и электрооптические затворы
Драйверы
Амплитудно-фазовые волоконные модуляторы
Контроллеры рабочей точки
Когерентные волоконные модуляторы
Акустооптические модуляторы
Акустооптические модуляторы с волоконным вводом/выводом
Акустооптические модуляторы (free space)
Модуляторы добротности
Устройства для выборки импульсов
Драйверы и электроника для акустооптики
Волоконно-оптические переключатели
Компактные MEMS переключатели
Микромеханические переключатели
Магнитооптические микросекундные переключатели
Электрооптические наносекундные переключатели
Полупроводниковые переключатели
Матричные переключатели NxM
Драйверы для переключателей
Элементы управления поляризацией в волокне
Перестраиваемые аттенюаторы
MEMS аттенюаторы
Аттенюаторы с ручным управлением
Моторизованные волоконные аттенюаторы
Перестраиваемые волоконно - оптические фильтры
На основе Волоконной Брэгговской Решетки
На основе MEMS-технологий
На основе интерферометра Фабри - Перо
На основе дифракционной решетки
Акустооптические
Пространственные модуляторы света (SLM)
Фазовые SLM
Амплитудные SLM
Линии задержки и фазовращатели
Моторизованные линии задержки
Линии задержки с ручным управлением
Модовые мультиплексоры
Фотоприемники оптические
Модули и оптоэлектронные конвертеры
InGaAs/GaAs фотодетекторы
Si/Ge фотодетекторы
Фотоприёмники с РЧ-выходом
Фотодиоды
InGaAs PIN фотодиоды
Si PIN фотодиоды
InGaAs лавинные фотодиоды
Si лавинные фотодиоды
Гибриды
Детекторы одиночных фотонов
Детекторы видимого диапазона
Детекторы ИК-диапазона
ИК-детекторы
Фотодетекторы
Пирометры
Усилители
Усилители напряжения
Усилители тока
Синхронные усилители
Кремниевые фотоумножители
Умножители в ТО-корпусе
Умножители на чипе
Фотоумножающие трубки
Фотовольтаические преобразователи
Устройства мониторинга мощности
X-ray детекторы
Оптические волокна
Активные волокна
Пассивные оптические волокна
Пассивные одномодовые волокна
Пассивные многомодовые волокна
Волокна с сохранением поляризации
Фотонно-кристаллические волокна
Пассивные волокна со специальными покрытиями
Специальные оптические волокна
Телекоммуникационные оптические волокна
Тейпированные оптические волокна
Оптические усилители
Волоконно-оптические усилители
Эрбиевые усилители диапазона 1,55 мкм (EDFA/YEDFA)
Иттербиевые усилители диапазона 1,0 мкм (YDFA)
Импульсные усилители
Тулиевые усилители диапазона 2,0 мкм и 1,47 мкм (TDFA)
Празеодимовые усилители диапазона 1,3 мкм (PDFA)
ВКР (рамановские) и специальные усилители
Полупроводниковые усилители (SOA)
Полупроводниковые чипы усиления
Оптика
Линзы для лазера
Микрооптика
Призмы
Зеркала
Поляризационная оптика
Поляризаторы
Волновые пластины
Оптические материалы
Светоделители
Оптические фильтры
Однополосные фильтры
Полосовые фильтры очистки
Краевые длинноволновые фильтры
Однополосные блокирующие фильтры
Перестраиваемые полосовые оптические фильтры
Многополосные полосовые оптические фильтры
45-градусные дихроичные лучевые светоделители
Многополосные очищающие фильтры
Нейтральные фильтры
Цветные фильтры
Многополосный дихроичный фильтр
Элементы с покрытиями
Оптика с металлическим покрытием
Элементы с диэлектрическим покрытием
Объемные брэгговские решетки
Кристаллы
Насыщающиеся поглотители
Нелинейные кристаллы
Двулучепреломляющие кристаллы
Акусто- и электро- и магнитооптические кристаллы
Сцинтилляционные кристаллы
Лазерные кристаллы
PPLN кристаллы
Системы формирования изображения
Камеры
Камеры UV, VIS, NIR диапазона
Камеры коротковолнового ИК (SWIR)
Камеры среднего ИК (MWIR)
Камеры дальнего ИК (LWIR)
Мультиспектральные и гиперспектральные камеры
Рентгеновские камеры (X-RAY)
Сенсоры
Объективы
Объективы для микроскопов
Объективы для камер машинного зрения
Микроскопы
Ручные пирометры
Технологическое оборудование волоконной оптики
Оборудование и материалы для вытяжки оптических волокон
Кварцевые трубы
Кварцевые стержни
Кварцевые заготовки
Преформы оптические для вытяжки волокна
Оборудование для вытяжки волокон
Измерительное оборудование для производства
Оборудование для обработки оптических волокон
Сварочные аппараты и системы сварки оптических волокон
Скалыватели оптических волокон
Стрипперы и системы очистки
Восстановители покрытия волокон и системы УФ отверждения
Системы полировки голого волокна
Оборудование для тестирования оптических волокон
Измерители профиля и геометрии готовых оптических волокон
Тестирование параметров оптических волокон
Волоконные интерферометры (контроль сколов)
Оборудование и материалы для записи ВБР
Фазовые маски
Оборудование для записи ВБР
Образовательные наборы
Лабораторные наборы по оптике
Микроскопия
Спектрометрия
Интерферометрия
Криптография
Лазеры
Волоконная оптика
Терагерцовое оборудование
Терагерцовые системы тестирования, визуализации, спектроскопии
Компактные терагерцовые спектрометры
Пробы, антенны, компоненты терагерцовых систем
Комплекты
Технологическое оборудование
Установки для тестирования ЛД
Установки нанесения оптических покрытий
Компоненты и оборудование для производства волоконно-оптических гироскопов
Волоконно-оптические гироскопы
Оптическое волокно с сохранением поляризации для гироскопов
Многофункциональные интегрально-оптические схемы
Волоконные контуры
Клеи для волоконных контуров
Активные элементы волоконных гироскопов
Пассивные волоконные компоненты для гироскопов
Оборудование для производства и тестирования гироскопов
Компоненты для дронов на оптоволокне
Катушки волоконно-оптические для дронов
Оптическое волокно для дронов
Компоненты навигации
Компоненты управления полетом
Оборудование для производства
Производители
Применения
Проекты
Услуги
Аудит производств
Лаборатория «ЛЛС»: демонстрация оборудования
Ремонт лазерных источников
Тестирование вашего оборудования
Возьмите оборудование на тест
Обработка оптических волокон
Сборка волоконных лазеров
Оптические столы на заказ
Проведение обучения по работе с оборудованием
Индивидуальные консультации
Блог
Новости
Статьи
Пресса о нас
О компании
О компании
Руководство
Мероприятия
Сертификаты
Партнеры
Документы
Карьера
Partnership
+7 (812) 507-81-00
+7 (812) 507-81-00Санкт-Петербург
+7 (499) 490-61-00Москва
+7 (423) 205-48-00Новосибирск
+7 (423) 205-48-00Владивосток
+7 (812) 507-81-00Пермь
Заказать звонок
Задать вопрос
Войти
  • Корзина0
  • Отложенные0
Ваш город
Санкт-Петербург
Санкт-Петербург
Москва
Новосибирск
Владивосток
Пермь
info@lenlasers.ru
199034, г. Санкт-Петербург, Биржевая линия, д. 16, офис 401
  • Вконтакте
  • Telegram
  • YouTube
АО «ЛЛС»
Ваш город
Санкт-Петербург
Санкт-Петербург
Москва
Новосибирск
Владивосток
Пермь
КОНТАКТЫ
Оставить заявку
Отложенные 0
Корзина 0
Войти
Каталог
Производители
Применения
Проекты
Услуги
Блог
О компании
Partnership
+  ЕЩЕ
    АО «ЛЛС»
    Каталог
    Оставить заявку
    КОНТАКТЫ
    Отложенные 0 Корзина 0
    АО «ЛЛС»
    Отложенные 0 Корзина 0
    Телефоны
    +7 (812) 507-81-00Санкт-Петербург
    +7 (499) 490-61-00Москва
    +7 (423) 205-48-00Новосибирск
    +7 (423) 205-48-00Владивосток
    +7 (812) 507-81-00Пермь
    • Каталог
      • Назад
      • Каталог
      • Лазеры и лазерные системы Лазеры и лазерные системы
        • Назад
        • Лазеры и лазерные системы
        • Непрерывные лазеры Непрерывные лазеры
          • Назад
          • Непрерывные лазеры
          • Непрерывные волоконные лазеры Непрерывные волоконные лазеры
          • Непрерывные твердотельные лазеры Непрерывные твердотельные лазеры
          • Непрерывные газовые лазеры Непрерывные газовые лазеры
          • Непрерывные диодные лазеры Непрерывные диодные лазеры
        • Импульсные лазеры Импульсные лазеры
          • Назад
          • Импульсные лазеры
          • Импульсные волоконные лазеры Импульсные волоконные лазеры
          • Импульсные твердотельные лазеры Импульсные твердотельные лазеры
          • Импульсные диодные лазеры Импульсные диодные лазеры
        • Широкополосные источники излучения Широкополосные источники излучения
        • Драйверы и аксессуары Драйверы и аксессуары
        • Технологические лазерные комплексы Технологические лазерные комплексы
        • Компактные лидары и лазерные дальномеры Компактные лидары и лазерные дальномеры
      • Оптомеханика Оптомеханика
        • Назад
        • Оптомеханика
        • Оптические столы и плиты. Рабочие места. Оптические столы и плиты. Рабочие места.
          • Назад
          • Оптические столы и плиты. Рабочие места.
          • Оптические столы Оптические столы
          • Готовые рабочие места Готовые рабочие места
          • Полки и стеллажи Полки и стеллажи
          • Защитные шторы и оптические барьеры Защитные шторы и оптические барьеры
          • Ламинарные станции Ламинарные станции
        • Системы активной виброизоляции Системы активной виброизоляции
        • Пневмоопоры и опоры Пневмоопоры и опоры
        • Пьезомеханика Пьезомеханика
          • Назад
          • Пьезомеханика
          • Пьезоактуаторы Пьезоактуаторы
          • Многоосевые пьезопозиционеры Многоосевые пьезопозиционеры
          • Гексаподы Гексаподы
          • Линейные позиционеры Линейные позиционеры
          • Гониометры Гониометры
          • Микрофабрикация Микрофабрикация
          • Поворотные позиционеры Поворотные позиционеры
          • Вертикальные позиционеры Вертикальные позиционеры
          • Сканирующие системы для объективов Сканирующие системы для объективов
          • Пьезокерамика Пьезокерамика
          • Пьезоплатформы Пьезоплатформы
          • Пьезосканеры Пьезосканеры
          • Комбинированные пьезотрансляторы Комбинированные пьезотрансляторы
          • Микрометрические ёмкостные датчики Микрометрические ёмкостные датчики
          • Контроллеры Контроллеры
        • Моторизованные позиционеры и контроллеры Моторизованные позиционеры и контроллеры
          • Назад
          • Моторизованные позиционеры и контроллеры
          • Моторизованные трансляторы Моторизованные трансляторы
          • Моторизованные трансляторы с прямым приводом Моторизованные трансляторы с прямым приводом
          • Моторизованные поворотные платформы Моторизованные поворотные платформы
          • Моторизованные вертикальные трансляторы Моторизованные вертикальные трансляторы
          • Моторизованные держатели оптики Моторизованные держатели оптики
          • Моторизованные гониометры Моторизованные гониометры
          • Моторизованные аттенюаторы Моторизованные аттенюаторы
          • Моторизованные ирисовые диафрагмы Моторизованные ирисовые диафрагмы
          • Контроллеры и источники питания Контроллеры и источники питания
          • Моторизованные винты и приводы Моторизованные винты и приводы
          • Моторизованные трансляторы для работы в вакууме Моторизованные трансляторы для работы в вакууме
        • Механические трансляторы Механические трансляторы
          • Назад
          • Механические трансляторы
          • Механические поворотные платформы Механические поворотные платформы
          • Линейные трансляторы Линейные трансляторы
          • Вертикальные трансляторы Вертикальные трансляторы
          • Трансляторы для работы в вакууме Трансляторы для работы в вакууме
          • Наклонные платформы Наклонные платформы
          • Многоосевые трансляторы Многоосевые трансляторы
        • Системы пневматической виброизоляции Системы пневматической виброизоляции
        • Каркасные системы Каркасные системы
          • Назад
          • Каркасные системы
          • Крепления фильтров для каркасных систем Крепления фильтров для каркасных систем
          • Кинематические крепления зеркал для каркасных систем Кинематические крепления зеркал для каркасных систем
          • Крепление поляризатора для каркасных систем Крепление поляризатора для каркасных систем
          • Стержни для сборки каркасных систем Стержни для сборки каркасных систем
          • Кубические крепления светоделителей для каркасных систем Кубические крепления светоделителей для каркасных систем
        • Оптоволоконная механика Оптоволоконная механика
          • Назад
          • Оптоволоконная механика
          • Станции стыковки волокна и зондовые станции для ФИС Станции стыковки волокна и зондовые станции для ФИС
        • Держатели оптики Держатели оптики
        • Оправы Оправы
          • Назад
          • Оправы
          • Оправы для зеркал Оправы для зеркал
          • Кинематические оправы Кинематические оправы
          • Оправы для фиксации оптики Оправы для фиксации оптики
          • Настраиваемые оптические оправы Настраиваемые оптические оправы
          • Оправы для крупногабаритной оптики Оправы для крупногабаритной оптики
          • Аксессуары для крепления зеркал и объективов Аксессуары для крепления зеркал и объективов
          • Крепления ND фильтров Крепления ND фильтров
        • Базы, крепления и аксессуары Базы, крепления и аксессуары
        • Кронштейны и рельсы Кронштейны и рельсы
        • Микрометрические и точные винты Микрометрические и точные винты
        • Аксессуары для лазеров Аксессуары для лазеров
        • Решения по техническим требованиям Решения по техническим требованиям
        • Системы управления излучением Системы управления излучением
          • Назад
          • Системы управления излучением
          • Расширители пучка Расширители пучка
          • Аттенюаторы Аттенюаторы
          • Формирователи пучка Формирователи пучка
          • Затворы и диафрагмы Затворы и диафрагмы
          • Крепления для цилиндрических объектов Крепления для цилиндрических объектов
          • Инструменты управления лучом Инструменты управления лучом
        • Визуализаторы излучения Визуализаторы излучения
        • Очки для защиты от лазерного излучения Очки для защиты от лазерного излучения
      • Контрольно-измерительное оборудование Контрольно-измерительное оборудование
        • Назад
        • Контрольно-измерительное оборудование
        • Оптические платформы Оптические платформы
          • Назад
          • Оптические платформы
          • Шасси и модули в формате RTS OMEGA Шасси и модули в формате RTS OMEGA
          • Шасси и контроллеры в формате PXI Шасси и контроллеры в формате PXI
          • Модули в формате PXI Модули в формате PXI
          • Шасси и модули платформы AP1000 Шасси и модули платформы AP1000
          • Оптическая платформа 8163B / 8164B Оптическая платформа 8163B / 8164B
          • Шасси и модули платформы OSICS Шасси и модули платформы OSICS
          • Шасси и модули платформы LTB-8 Шасси и модули платформы LTB-8
          • Оптическая платформа серии MS Оптическая платформа серии MS
        • Эталонные газовые ячейки Эталонные газовые ячейки
          • Назад
          • Эталонные газовые ячейки
          • Эталонные газовые ячейки с волоконным вводом/ выводом Эталонные газовые ячейки с волоконным вводом/ выводом
          • Эталонные газовые ячейки с free space вводом/ выводом Эталонные газовые ячейки с free space вводом/ выводом
          • Эталонные проточные ячейки Эталонные проточные ячейки
        • Источники лазерного излучения Источники лазерного излучения
          • Назад
          • Источники лазерного излучения
          • Перестраиваемые лазерные источники Перестраиваемые лазерные источники
          • Фиксированные лазерные источники Фиксированные лазерные источники
          • Широкополосные лазерные источники Широкополосные лазерные источники
          • Портативные источники лазерного излучения Портативные источники лазерного излучения
        • Оптические анализаторы спектра Оптические анализаторы спектра
        • Векторные анализаторы цепей Векторные анализаторы цепей
        • Измерители оптической мощности и энергии Измерители оптической мощности и энергии
          • Назад
          • Измерители оптической мощности и энергии
          • Датчики мощности на термоэлементах Датчики мощности на термоэлементах
          • Фотодиодные датчики мощности Фотодиодные датчики мощности
          • Пироэлектрические датчики энергии Пироэлектрические датчики энергии
          • Консоли для вывода информации Консоли для вывода информации
          • Интегрирующие сферы Интегрирующие сферы
          • Готовые комплекты для измерений Готовые комплекты для измерений
          • Модульные измерители оптической мощности Модульные измерители оптической мощности
          • Настольные измерители оптической мощности Настольные измерители оптической мощности
          • Портативные измерители оптической мощности Портативные измерители оптической мощности
          • Аксессуары Аксессуары
        • Анализаторы оптических компонентов Анализаторы оптических компонентов
        • Оптические усилители мощности Оптические усилители мощности
        • Оптические переключатели Оптические переключатели
        • Спектрометры и спектральное оборудование Спектрометры и спектральное оборудование
          • Назад
          • Спектрометры и спектральное оборудование
          • Модульные спектрометры Модульные спектрометры
          • Рамановские спектрометры Рамановские спектрометры
          • Источники света Источники света
          • Лабораторные и промышленные рамановские анализаторы Лабораторные и промышленные рамановские анализаторы
        • Перестраиваемые оптические фильтры Перестраиваемые оптические фильтры
        • Автокорреляторы Автокорреляторы
        • Анализ и контроль поляризации и дисперсии Анализ и контроль поляризации и дисперсии
        • Электрооптические и оптоэлектронные конвертеры Электрооптические и оптоэлектронные конвертеры
        • Анализаторы профиля пучка Анализаторы профиля пучка
          • Назад
          • Анализаторы профиля пучка
          • Профилирование пучка Профилирование пучка
          • Измерители М2 Измерители М2
        • Осциллографы Осциллографы
          • Назад
          • Осциллографы
          • Осциллографы реального времени Осциллографы реального времени
          • Стробоскопические осциллографы Стробоскопические осциллографы
        • Специальные решения Специальные решения
          • Назад
          • Специальные решения
          • Когерентная передача данных Когерентная передача данных
          • Оптические анализаторы сигналов и импульсов Оптические анализаторы сигналов и импульсов
        • Оптические рефлектометры Оптические рефлектометры
          • Назад
          • Оптические рефлектометры
          • Стартовые блоки OTDR Стартовые блоки OTDR
        • Контроль оптоволокна и коннекторов Контроль оптоволокна и коннекторов
        • Тестеры коэффициента битовых ошибок (BERT) Тестеры коэффициента битовых ошибок (BERT)
        • Транспортные анализаторы Транспортные анализаторы
        • Оптическая когерентная томография Оптическая когерентная томография
        • Оптические частотные гребенки Оптические частотные гребенки
        • Терагерцовая техника Терагерцовая техника
        • Переменные оптические аттенюаторы Переменные оптические аттенюаторы
        • Интерферометры Интерферометры
          • Назад
          • Интерферометры
          • Волоконные интерферометры, контроль сколов Волоконные интерферометры, контроль сколов
          • Лазерные интерферометры Лазерные интерферометры
        • Станции для тестирования фотонных интегральных схем (ФИС) Станции для тестирования фотонных интегральных схем (ФИС)
        • Испытания ВЧ и микроволновых устройств Испытания ВЧ и микроволновых устройств
        • Измерители электрической мощности и анализаторы качества Измерители электрической мощности и анализаторы качества
        • Анализ лазерного излучения Анализ лазерного излучения
      • Волоконно-оптические линии связи (ВОЛС) и Радиофотоника Волоконно-оптические линии связи (ВОЛС) и Радиофотоника
        • Назад
        • Волоконно-оптические линии связи (ВОЛС) и Радиофотоника
        • Тракты трансляции аналоговых сигналов (радифотонные модули) Тракты трансляции аналоговых сигналов (радифотонные модули)
        • Оптические трансиверы (приемопередатчики) Оптические трансиверы (приемопередатчики)
          • Назад
          • Оптические трансиверы (приемопередатчики)
          • SFP/SFP+  (2-х волоконные, Bidi) SFP/SFP+ (2-х волоконные, Bidi)
          • SFP/SFP+  (WDM) SFP/SFP+ (WDM)
          • SFF  (2-х волоконные, Bidi) SFF (2-х волоконные, Bidi)
          • SFF  (WDM) SFF (WDM)
          • SFP28 / QSFP28 / QSFP+  (2-х волоконные, Bidi, WDM) SFP28 / QSFP28 / QSFP+ (2-х волоконные, Bidi, WDM)
          • Для пайки (нестандартные форм-факторы) (2-х волоконные, Bidi, WDM) Для пайки (нестандартные форм-факторы) (2-х волоконные, Bidi, WDM)
          • SFP LTE  / SFP+ LTE (CPRi – OBSAI) трансиверы (2-х волоконные, Bidi, WDM) SFP LTE / SFP+ LTE (CPRi – OBSAI) трансиверы (2-х волоконные, Bidi, WDM)
          • CFP / CFP2 / CFP4 трансиверы (2-х волоконные) CFP / CFP2 / CFP4 трансиверы (2-х волоконные)
          • SFP медные трансиверы SFP медные трансиверы
          • Приемники и передатчики для цифровой передачи Приемники и передатчики для цифровой передачи
          • CXP и Многоканальные оптические трансиверы (MPO/MTP) CXP и Многоканальные оптические трансиверы (MPO/MTP)
        • Компоненты для когерентной передачи данных Компоненты для когерентной передачи данных
          • Назад
          • Компоненты для когерентной передачи данных
          • Когерентные трансиверы Когерентные трансиверы
          • Когерентные приемники (ICR) Когерентные приемники (ICR)
          • Когерентные модуляторы Когерентные модуляторы
        • Интерферометры для 3D анализа геометрии оптических коннекторов Интерферометры для 3D анализа геометрии оптических коннекторов
          • Назад
          • Интерферометры для 3D анализа геометрии оптических коннекторов
          • Интерферометры Интерферометры
          • Оправы для интерферометров Оправы для интерферометров
        • Оборудование для квантовых технологий Оборудование для квантовых технологий
        • Передача мощности по волокну (Power Over Fiber) Передача мощности по волокну (Power Over Fiber)
          • Назад
          • Передача мощности по волокну (Power Over Fiber)
          • Источники излучения Источники излучения
          • Готовые отладочные наборы Готовые отладочные наборы
          • Фотовольтаические преобразователи Фотовольтаические преобразователи
          • Понижающие DC/DC преобразователи для фотовольтаических преобразователей Понижающие DC/DC преобразователи для фотовольтаических преобразователей
        • Оптические медиаконвертеры Оптические медиаконвертеры
          • Назад
          • Оптические медиаконвертеры
          • Медиаконвертеры Ethernet Медиаконвертеры Ethernet
          • Медиаконвертеры RS-232 / RS-422 / RS-485 Медиаконвертеры RS-232 / RS-422 / RS-485
          • USB удлинители USB удлинители
          • HDMI и VGA удлинители HDMI и VGA удлинители
        • Герметичные оптические переходы Герметичные оптические переходы
        • Оптические вращающиеся переходы Оптические вращающиеся переходы
        • Пассивные оптические компоненты Пассивные оптические компоненты
          • Назад
          • Пассивные оптические компоненты
          • Оптические аттенюаторы (FM (Папа-Мама) / Розетки / Переменные) Оптические аттенюаторы (FM (Папа-Мама) / Розетки / Переменные)
          • Оптический кабель (армированный и патч-кордовый) Оптический кабель (армированный и патч-кордовый)
          • Соединительные элементы
        • Инструменты и расходные материалы Инструменты и расходные материалы
          • Назад
          • Инструменты и расходные материалы
          • Инструмент для обработки оптического волокна Инструмент для обработки оптического волокна
          • Инструмент для обработки кабеля Инструмент для обработки кабеля
          • Расходные материалы (пленки, салфетки, приспособления для чистки и пр.) Расходные материалы (пленки, салфетки, приспособления для чистки и пр.)
          • Тестеры целостности/детекторы повреждений (лазерные указки) Тестеры целостности/детекторы повреждений (лазерные указки)
          • Микроскопы для проверки коннекторов Микроскопы для проверки коннекторов
      • Лазерные диоды Лазерные диоды
        • Назад
        • Лазерные диоды
        • Одномодовые лазерные диоды Одномодовые лазерные диоды
          • Назад
          • Одномодовые лазерные диоды
          • Лазерные диоды < 600 нм Лазерные диоды < 600 нм
          • Лазерные диоды 600 - 950 нм Лазерные диоды 600 - 950 нм
          • Лазерные диоды накачки 980 нм Лазерные диоды накачки 980 нм
          • Задающие лазерные диоды 10xx нм Задающие лазерные диоды 10xx нм
          • Лазерные диоды 1100 - 1290 нм Лазерные диоды 1100 - 1290 нм
          • Лазерные диоды накачки 1480 нм Лазерные диоды накачки 1480 нм
          • Лазерные диоды 1310 - 1650 нм и CWDM/DWDM Лазерные диоды 1310 - 1650 нм и CWDM/DWDM
          • Лазерные диоды > 1650 нм Лазерные диоды > 1650 нм
        • Многомодовые лазерные диоды Многомодовые лазерные диоды
          • Назад
          • Многомодовые лазерные диоды
          • Модули с волоконным выводом излучения Модули с волоконным выводом излучения
          • Модули с волоконным выводом излучения и стаблизиацией по длине волны Модули с волоконным выводом излучения и стаблизиацией по длине волны
          • Одиночные излучатели на сабмаунте Одиночные излучатели на сабмаунте
          • Одиночные излучатели на открытом радиаторе Одиночные излучатели на открытом радиаторе
          • Модули с выводом излучения в пространство (free-space) Модули с выводом излучения в пространство (free-space)
          • Несмонтированные одиночные излучатели Несмонтированные одиночные излучатели
        • Диодные матрицы и линейки Диодные матрицы и линейки
          • Назад
          • Диодные матрицы и линейки
          • Линейки лазерных диодов Линейки лазерных диодов
          • Вертикальные матрицы Вертикальные матрицы
          • Горизонтальные матрицы Горизонтальные матрицы
        • Перестраиваемые диодные сборки Перестраиваемые диодные сборки
          • Назад
          • Перестраиваемые диодные сборки
          • Перестраиваемые лазерные сборки Перестраиваемые лазерные сборки
          • Свипирующие лазерные источники Свипирующие лазерные источники
        • Суперлюминесцентные диоды Суперлюминесцентные диоды
        • Драйверы и отладочные платы для лазерных диодов Драйверы и отладочные платы для лазерных диодов
          • Назад
          • Драйверы и отладочные платы для лазерных диодов
          • Драйверы для одномодовых лазерных диодов (< 5А) Драйверы для одномодовых лазерных диодов (< 5А)
          • Драйверы для многомодовых лазерных диодов (> 5А) Драйверы для многомодовых лазерных диодов (> 5А)
          • ТЕС - контроллеры ТЕС - контроллеры
      • Волоконно-оптические системы мониторинга Волоконно-оптические системы мониторинга
        • Назад
        • Волоконно-оптические системы мониторинга
        • Распределенные датчики Распределенные датчики
        • Системы опроса точечных датчиков Системы опроса точечных датчиков
        • Источники излучения для интеррогаторов Источники излучения для интеррогаторов
        • Системы тестирования катушек для ВОГ Системы тестирования катушек для ВОГ
        • Точечные датчики и ВБР Точечные датчики и ВБР
          • Назад
          • Точечные датчики и ВБР
          • Датчики на ВБР Датчики на ВБР
          • Волоконные брэгговские решетки Волоконные брэгговские решетки
        • Эталонные газовые ячейки Эталонные газовые ячейки
      • Оптические и электрические разъемы Оптические и электрические разъемы
        • Назад
        • Оптические и электрические разъемы
        • Оптические разъемы и сборки Оптические разъемы и сборки
          • Назад
          • Оптические разъемы и сборки
          • Оптические адаптеры (Проходные/Гибридные) Оптические адаптеры (Проходные/Гибридные)
          • Оптические коннекторы (LC, FC, SC, ST, SMA) Оптические коннекторы (LC, FC, SC, ST, SMA)
          • Сборки и разъемы серии Expanded Beam (MIL-DTL-83526) Сборки и разъемы серии Expanded Beam (MIL-DTL-83526)
          • ODVA, IP-разъемы и сборки ODVA, IP-разъемы и сборки
          • Гибридные разъемы Гибридные разъемы
          • MPO/MTP Коннекторы MPO/MTP Коннекторы
          • ODC коннекторы ODC коннекторы
          • Многоканальные защищенные разъемы с MT феррулами Многоканальные защищенные разъемы с MT феррулами
          • Оптические кабельные сборки Оптические кабельные сборки
          • Многоканальные сборки и разъемы серии 38999 (MIL-DTL-38999/GJB599A) Многоканальные сборки и разъемы серии 38999 (MIL-DTL-38999/GJB599A)
        • Электрические разъемы и сборки Электрические разъемы и сборки
          • Назад
          • Электрические разъемы и сборки
          • Прямоугольные соединители Прямоугольные соединители
          • Цилиндрические соединители Цилиндрические соединители
      • Пассивные волоконные компоненты Пассивные волоконные компоненты
        • Назад
        • Пассивные волоконные компоненты
        • Разветвители Разветвители
          • Назад
          • Разветвители
          • Сплиттеры Сплиттеры
          • С сохранением поляризации С сохранением поляризации
          • Модульное исполнение Модульное исполнение
        • Компоненты спектрального и модового уплотнения (WDM/MDM) Компоненты спектрального и модового уплотнения (WDM/MDM)
          • Назад
          • Компоненты спектрального и модового уплотнения (WDM/MDM)
          • Компоненты мультиплексирования WDM/CWDM/DWDM Компоненты мультиплексирования WDM/CWDM/DWDM
          • С сохранением поляризации/гибридные С сохранением поляризации/гибридные
          • Модульные решения Модульные решения
        • Циркуляторы Циркуляторы
        • Фильтры Фильтры
        • Пассивные компоненты управления поляризацией Пассивные компоненты управления поляризацией
          • Назад
          • Пассивные компоненты управления поляризацией
          • Вращатели Фарадея и Фарадеевские зеркала Вращатели Фарадея и Фарадеевские зеркала
          • In-line / Линейные поляризаторы In-line / Линейные поляризаторы
          • Делители/Объединители  поляризационных составляющих - PBC/PBS Делители/Объединители поляризационных составляющих - PBC/PBS
        • Гибридные компоненты Гибридные компоненты
        • Волоконные брэгговские решетки и системы на их основе Волоконные брэгговские решетки и системы на их основе
          • Назад
          • Волоконные брэгговские решетки и системы на их основе
          • ВБР для волоконных лазеров ВБР для волоконных лазеров
          • Волоконные брэгговские фильтры Волоконные брэгговские фильтры
          • Компенсаторы дисперсии Компенсаторы дисперсии
          • Решения для растяжения и сжатия лазерных импульсов Решения для растяжения и сжатия лазерных импульсов
          • Волоконные брэгговские решетки для спец применений Волоконные брэгговские решетки для спец применений
        • Патч-корды со специальными волокнами Патч-корды со специальными волокнами
        • Вывод излучения Вывод излучения
        • Материалы для изготовления пассивных волоконно-оптических компонентов Материалы для изготовления пассивных волоконно-оптических компонентов
        • Объединители накачки и сигнала Объединители накачки и сигнала
          • Назад
          • Объединители накачки и сигнала
          • Объединители 2х1/3х1/7х1 Объединители 2х1/3х1/7х1
          • Объединители (2+1)х1 Объединители (2+1)х1
          • Объединители (6+1)х1 Объединители (6+1)х1
          • Объединители (18+1)x1 Объединители (18+1)x1
          • Сигнальные объединители Сигнальные объединители
          • Адаптеры поля моды и стрипперы оболочечных мод Адаптеры поля моды и стрипперы оболочечных мод
        • Изоляторы Изоляторы
          • Назад
          • Изоляторы
          • Волоконно-оптические изоляторы Волоконно-оптические изоляторы
          • Оптические изоляторы free-space Оптические изоляторы free-space
          • Изоляторы Fiber - IN / Free space - OUT Изоляторы Fiber - IN / Free space - OUT
        • Модовые мультиплексоры Модовые мультиплексоры
        • Эталонные газовые ячейки Эталонные газовые ячейки
        • Волоконные сборки Волоконные сборки
      • Элементы управления излучением Элементы управления излучением
        • Назад
        • Элементы управления излучением
        • Электрооптические модуляторы Электрооптические модуляторы
          • Назад
          • Электрооптические модуляторы
          • Амплитудные волоконные модуляторы Амплитудные волоконные модуляторы
          • Фазовые волоконные модуляторы Фазовые волоконные модуляторы
          • Специальные волоконные модуляторы Специальные волоконные модуляторы
          • Ячейки Поккельса и электрооптические затворы Ячейки Поккельса и электрооптические затворы
          • Драйверы Драйверы
          • Амплитудно-фазовые волоконные модуляторы Амплитудно-фазовые волоконные модуляторы
          • Контроллеры рабочей точки Контроллеры рабочей точки
          • Когерентные волоконные модуляторы Когерентные волоконные модуляторы
        • Акустооптические модуляторы Акустооптические модуляторы
          • Назад
          • Акустооптические модуляторы
          • Акустооптические модуляторы с волоконным вводом/выводом Акустооптические модуляторы с волоконным вводом/выводом
          • Акустооптические модуляторы (free space) Акустооптические модуляторы (free space)
          • Модуляторы добротности Модуляторы добротности
          • Устройства для выборки импульсов Устройства для выборки импульсов
          • Драйверы и электроника для акустооптики Драйверы и электроника для акустооптики
        • Волоконно-оптические переключатели Волоконно-оптические переключатели
          • Назад
          • Волоконно-оптические переключатели
          • Компактные MEMS переключатели Компактные MEMS переключатели
          • Микромеханические переключатели Микромеханические переключатели
          • Магнитооптические микросекундные переключатели Магнитооптические микросекундные переключатели
          • Электрооптические наносекундные переключатели Электрооптические наносекундные переключатели
          • Полупроводниковые переключатели Полупроводниковые переключатели
          • Матричные переключатели NxM Матричные переключатели NxM
          • Драйверы для переключателей Драйверы для переключателей
        • Элементы управления поляризацией в волокне Элементы управления поляризацией в волокне
        • Перестраиваемые аттенюаторы Перестраиваемые аттенюаторы
          • Назад
          • Перестраиваемые аттенюаторы
          • MEMS аттенюаторы MEMS аттенюаторы
          • Аттенюаторы с ручным управлением Аттенюаторы с ручным управлением
          • Моторизованные волоконные аттенюаторы Моторизованные волоконные аттенюаторы
        • Перестраиваемые волоконно - оптические фильтры Перестраиваемые волоконно - оптические фильтры
          • Назад
          • Перестраиваемые волоконно - оптические фильтры
          • На основе Волоконной Брэгговской Решетки На основе Волоконной Брэгговской Решетки
          • На основе MEMS-технологий На основе MEMS-технологий
          • На основе интерферометра Фабри - Перо На основе интерферометра Фабри - Перо
          • На основе дифракционной решетки На основе дифракционной решетки
          • Акустооптические Акустооптические
        • Пространственные модуляторы света (SLM) Пространственные модуляторы света (SLM)
          • Назад
          • Пространственные модуляторы света (SLM)
          • Фазовые SLM Фазовые SLM
          • Амплитудные SLM Амплитудные SLM
        • Линии задержки и фазовращатели Линии задержки и фазовращатели
          • Назад
          • Линии задержки и фазовращатели
          • Моторизованные линии задержки Моторизованные линии задержки
          • Линии задержки с ручным управлением Линии задержки с ручным управлением
        • Модовые мультиплексоры Модовые мультиплексоры
      • Фотоприемники оптические Фотоприемники оптические
        • Назад
        • Фотоприемники оптические
        • Модули и оптоэлектронные конвертеры Модули и оптоэлектронные конвертеры
          • Назад
          • Модули и оптоэлектронные конвертеры
          • InGaAs/GaAs фотодетекторы InGaAs/GaAs фотодетекторы
          • Si/Ge фотодетекторы Si/Ge фотодетекторы
        • Фотоприёмники с РЧ-выходом Фотоприёмники с РЧ-выходом
        • Фотодиоды Фотодиоды
          • Назад
          • Фотодиоды
          • InGaAs PIN фотодиоды InGaAs PIN фотодиоды
          • Si PIN фотодиоды Si PIN фотодиоды
          • InGaAs лавинные фотодиоды InGaAs лавинные фотодиоды
          • Si лавинные фотодиоды Si лавинные фотодиоды
          • Гибриды Гибриды
        • Детекторы одиночных фотонов Детекторы одиночных фотонов
          • Назад
          • Детекторы одиночных фотонов
          • Детекторы видимого диапазона Детекторы видимого диапазона
          • Детекторы ИК-диапазона Детекторы ИК-диапазона
        • ИК-детекторы ИК-детекторы
          • Назад
          • ИК-детекторы
          • Фотодетекторы Фотодетекторы
          • Пирометры Пирометры
        • Усилители Усилители
          • Назад
          • Усилители
          • Усилители напряжения Усилители напряжения
          • Усилители тока Усилители тока
          • Синхронные усилители Синхронные усилители
        • Кремниевые фотоумножители Кремниевые фотоумножители
          • Назад
          • Кремниевые фотоумножители
          • Умножители в ТО-корпусе Умножители в ТО-корпусе
          • Умножители на чипе Умножители на чипе
          • Фотоумножающие трубки Фотоумножающие трубки
        • Фотовольтаические преобразователи Фотовольтаические преобразователи
        • Устройства мониторинга мощности Устройства мониторинга мощности
        • X-ray детекторы X-ray детекторы
      • Оптические волокна Оптические волокна
        • Назад
        • Оптические волокна
        • Активные волокна Активные волокна
        • Пассивные оптические волокна Пассивные оптические волокна
          • Назад
          • Пассивные оптические волокна
          • Пассивные одномодовые волокна Пассивные одномодовые волокна
          • Пассивные многомодовые волокна Пассивные многомодовые волокна
        • Волокна с сохранением поляризации Волокна с сохранением поляризации
        • Фотонно-кристаллические волокна Фотонно-кристаллические волокна
        • Пассивные волокна со специальными покрытиями Пассивные волокна со специальными покрытиями
        • Специальные оптические волокна Специальные оптические волокна
        • Телекоммуникационные оптические волокна Телекоммуникационные оптические волокна
        • Тейпированные оптические волокна Тейпированные оптические волокна
      • Оптические усилители Оптические усилители
        • Назад
        • Оптические усилители
        • Волоконно-оптические усилители Волоконно-оптические усилители
          • Назад
          • Волоконно-оптические усилители
          • Эрбиевые усилители диапазона 1,55 мкм (EDFA/YEDFA) Эрбиевые усилители диапазона 1,55 мкм (EDFA/YEDFA)
          • Иттербиевые усилители диапазона 1,0 мкм (YDFA) Иттербиевые усилители диапазона 1,0 мкм (YDFA)
          • Импульсные усилители Импульсные усилители
          • Тулиевые усилители диапазона 2,0 мкм и 1,47 мкм (TDFA) Тулиевые усилители диапазона 2,0 мкм и 1,47 мкм (TDFA)
          • Празеодимовые усилители диапазона 1,3 мкм (PDFA) Празеодимовые усилители диапазона 1,3 мкм (PDFA)
          • ВКР (рамановские) и специальные усилители ВКР (рамановские) и специальные усилители
        • Полупроводниковые усилители (SOA) Полупроводниковые усилители (SOA)
        • Полупроводниковые чипы усиления Полупроводниковые чипы усиления
      • Оптика Оптика
        • Назад
        • Оптика
        • Линзы для лазера Линзы для лазера
        • Микрооптика Микрооптика
        • Призмы Призмы
        • Зеркала Зеркала
        • Поляризационная оптика Поляризационная оптика
          • Назад
          • Поляризационная оптика
          • Поляризаторы Поляризаторы
          • Волновые пластины Волновые пластины
        • Оптические материалы Оптические материалы
        • Светоделители Светоделители
        • Оптические фильтры Оптические фильтры
          • Назад
          • Оптические фильтры
          • Однополосные фильтры Однополосные фильтры
          • Полосовые фильтры очистки Полосовые фильтры очистки
          • Краевые длинноволновые фильтры Краевые длинноволновые фильтры
          • Однополосные блокирующие фильтры Однополосные блокирующие фильтры
          • Перестраиваемые полосовые оптические фильтры Перестраиваемые полосовые оптические фильтры
          • Многополосные полосовые оптические фильтры Многополосные полосовые оптические фильтры
          • 45-градусные дихроичные лучевые светоделители 45-градусные дихроичные лучевые светоделители
          • Многополосные очищающие фильтры Многополосные очищающие фильтры
          • Нейтральные фильтры Нейтральные фильтры
          • Цветные фильтры Цветные фильтры
          • Многополосный дихроичный фильтр Многополосный дихроичный фильтр
        • Элементы с покрытиями Элементы с покрытиями
        • Оптика с металлическим покрытием Оптика с металлическим покрытием
        • Элементы с диэлектрическим покрытием Элементы с диэлектрическим покрытием
        • Объемные брэгговские решетки Объемные брэгговские решетки
      • Кристаллы Кристаллы
        • Назад
        • Кристаллы
        • Насыщающиеся поглотители Насыщающиеся поглотители
        • Нелинейные кристаллы Нелинейные кристаллы
        • Двулучепреломляющие кристаллы Двулучепреломляющие кристаллы
        • Акусто- и электро- и магнитооптические кристаллы Акусто- и электро- и магнитооптические кристаллы
        • Сцинтилляционные кристаллы Сцинтилляционные кристаллы
        • Лазерные кристаллы Лазерные кристаллы
        • PPLN кристаллы PPLN кристаллы
      • Системы формирования изображения Системы формирования изображения
        • Назад
        • Системы формирования изображения
        • Камеры Камеры
          • Назад
          • Камеры
          • Камеры UV, VIS, NIR диапазона Камеры UV, VIS, NIR диапазона
          • Камеры коротковолнового ИК (SWIR) Камеры коротковолнового ИК (SWIR)
          • Камеры среднего ИК (MWIR) Камеры среднего ИК (MWIR)
          • Камеры дальнего ИК (LWIR) Камеры дальнего ИК (LWIR)
          • Мультиспектральные и гиперспектральные камеры Мультиспектральные и гиперспектральные камеры
          • Рентгеновские камеры (X-RAY) Рентгеновские камеры (X-RAY)
        • Сенсоры Сенсоры
        • Объективы Объективы
          • Назад
          • Объективы
          • Объективы для микроскопов Объективы для микроскопов
          • Объективы для камер машинного зрения Объективы для камер машинного зрения
        • Микроскопы Микроскопы
        • Ручные пирометры Ручные пирометры
      • Технологическое оборудование волоконной оптики Технологическое оборудование волоконной оптики
        • Назад
        • Технологическое оборудование волоконной оптики
        • Оборудование и материалы для вытяжки оптических волокон Оборудование и материалы для вытяжки оптических волокон
          • Назад
          • Оборудование и материалы для вытяжки оптических волокон
          • Кварцевые трубы Кварцевые трубы
          • Кварцевые стержни Кварцевые стержни
          • Кварцевые заготовки Кварцевые заготовки
          • Преформы оптические для вытяжки волокна Преформы оптические для вытяжки волокна
          • Оборудование для вытяжки волокон Оборудование для вытяжки волокон
          • Измерительное оборудование для производства Измерительное оборудование для производства
        • Оборудование для обработки оптических волокон Оборудование для обработки оптических волокон
          • Назад
          • Оборудование для обработки оптических волокон
          • Сварочные аппараты и системы сварки оптических волокон Сварочные аппараты и системы сварки оптических волокон
          • Скалыватели оптических волокон Скалыватели оптических волокон
          • Стрипперы и системы очистки Стрипперы и системы очистки
          • Восстановители покрытия волокон и системы УФ отверждения Восстановители покрытия волокон и системы УФ отверждения
          • Системы полировки голого волокна Системы полировки голого волокна
        • Оборудование для тестирования оптических волокон Оборудование для тестирования оптических волокон
          • Назад
          • Оборудование для тестирования оптических волокон
          • Измерители профиля и геометрии готовых оптических волокон Измерители профиля и геометрии готовых оптических волокон
          • Тестирование параметров оптических волокон Тестирование параметров оптических волокон
          • Волоконные интерферометры (контроль сколов) Волоконные интерферометры (контроль сколов)
        • Оборудование и материалы для записи ВБР Оборудование и материалы для записи ВБР
          • Назад
          • Оборудование и материалы для записи ВБР
          • Фазовые маски Фазовые маски
          • Оборудование для записи ВБР Оборудование для записи ВБР
      • Образовательные наборы Образовательные наборы
        • Назад
        • Образовательные наборы
        • Лабораторные наборы по оптике Лабораторные наборы по оптике
        • Микроскопия Микроскопия
        • Спектрометрия Спектрометрия
        • Интерферометрия Интерферометрия
        • Криптография Криптография
        • Лазеры Лазеры
        • Волоконная оптика Волоконная оптика
      • Терагерцовое оборудование Терагерцовое оборудование
        • Назад
        • Терагерцовое оборудование
        • Терагерцовые системы тестирования, визуализации, спектроскопии Терагерцовые системы тестирования, визуализации, спектроскопии
        • Компактные терагерцовые спектрометры Компактные терагерцовые спектрометры
        • Пробы, антенны, компоненты терагерцовых систем Пробы, антенны, компоненты терагерцовых систем
      • Комплекты Комплекты
      • Технологическое оборудование Технологическое оборудование
        • Назад
        • Технологическое оборудование
        • Установки для тестирования ЛД Установки для тестирования ЛД
        • Установки нанесения оптических покрытий Установки нанесения оптических покрытий
      • Компоненты и оборудование для производства волоконно-оптических гироскопов Компоненты и оборудование для производства волоконно-оптических гироскопов
        • Назад
        • Компоненты и оборудование для производства волоконно-оптических гироскопов
        • Волоконно-оптические гироскопы Волоконно-оптические гироскопы
        • Оптическое волокно с сохранением поляризации для гироскопов Оптическое волокно с сохранением поляризации для гироскопов
        • Многофункциональные интегрально-оптические схемы Многофункциональные интегрально-оптические схемы
        • Волоконные контуры Волоконные контуры
        • Клеи для волоконных контуров Клеи для волоконных контуров
        • Активные элементы волоконных гироскопов Активные элементы волоконных гироскопов
        • Пассивные волоконные компоненты для гироскопов Пассивные волоконные компоненты для гироскопов
        • Оборудование для производства и тестирования гироскопов Оборудование для производства и тестирования гироскопов
      • Компоненты для дронов на оптоволокне Компоненты для дронов на оптоволокне
        • Назад
        • Компоненты для дронов на оптоволокне
        • Катушки волоконно-оптические для дронов Катушки волоконно-оптические для дронов
        • Оптическое волокно для дронов Оптическое волокно для дронов
        • Компоненты навигации Компоненты навигации
        • Компоненты управления полетом Компоненты управления полетом
        • Оборудование для производства Оборудование для производства
    • Производители
    • Применения
    • Проекты
    • Услуги
      • Назад
      • Услуги
      • Аудит производств
      • Лаборатория «ЛЛС»: демонстрация оборудования
      • Ремонт лазерных источников
      • Тестирование вашего оборудования
      • Возьмите оборудование на тест
      • Обработка оптических волокон
      • Сборка волоконных лазеров
      • Оптические столы на заказ
      • Проведение обучения по работе с оборудованием
      • Индивидуальные консультации
    • Блог
      • Назад
      • Блог
      • Новости
      • Статьи
      • Пресса о нас
    • О компании
      • Назад
      • О компании
      • О компании
      • Руководство
      • Мероприятия
      • Сертификаты
      • Партнеры
      • Документы
      • Карьера
    • Partnership
    • Санкт-Петербург
      • Назад
    • Личный кабинет
    • Корзина0
    • Отложенные0
    • +7 (812) 507-81-00Санкт-Петербург
      • Назад
      • Телефоны
      • +7 (812) 507-81-00Санкт-Петербург
      • +7 (499) 490-61-00Москва
      • +7 (423) 205-48-00Новосибирск
      • +7 (423) 205-48-00Владивосток
      • +7 (812) 507-81-00Пермь
    Контактная информация
    199034, г. Санкт-Петербург, Биржевая линия, д. 16, офис 401
    info@lenlasers.ru
    • Вконтакте
    • Telegram
    • YouTube
    Главная
    —
    Оптомеханика
    Лазеры и лазерные системыКонтрольно-измерительное оборудованиеВолоконно-оптические линии связи (ВОЛС) и РадиофотоникаОптические и электрические разъемыВолоконно-оптические системы мониторингаЛазерные диодыПассивные волоконные компонентыЭлементы управления излучениемФотоприемники оптическиеОптические волокнаОптические усилителиОптикаКристаллыСистемы формирования изображенияТехнологическое оборудование волоконной оптикиОбразовательные наборыТерагерцовое оборудованиеКомплектыТехнологическое оборудованиеКомпоненты и оборудование для производства волоконно-оптических гироскоповКомпоненты для дронов на оптоволокне
    —
    Пьезомеханика
    Оптические столы и плиты. Рабочие места.Системы активной виброизоляцииПневмоопоры и опорыМоторизованные позиционеры и контроллерыКаркасные системыСистемы пневматической виброизоляцииМеханические трансляторыОптоволоконная механикаДержатели оптикиОправыБазы, крепления и аксессуарыКронштейны и рельсыМикрометрические и точные винтыАксессуары для лазеровРешения по техническим требованиямСистемы управления излучениемВизуализаторы излученияОчки для защиты от лазерного излучения
    —
    Пьезоактуаторы
    Многоосевые пьезопозиционерыГексаподыЛинейные позиционерыГониометрыМикрофабрикацияПоворотные позиционерыВертикальные позиционерыСканирующие системы для объективовПьезокерамикаПьезоплатформыПьезосканерыКомбинированные пьезотрансляторыМикрометрические ёмкостные датчикиКонтроллеры
    —
    Преднагруженные пьезоактуаторы
    Пьезоактуаторы с апертуройУсиленные пьезоактуаторыСдвиговые пьезоактуаторыТрубчатые пьезоактуаторыБескорпусные пьезоактуаторыРычажные пьезоактуаторыПьезоактуаторы изгиба
    —Пьезоактуаторы серии PICMA™ P-820

    Пьезоактуаторы серии PICMA™ P-820

    Пьезоактуаторы серии PICMA™ P-820
    №: P-820.3B
    Таблица партномеров
    Подобрать аналог
    Physik Instrumente (PI)
    Преднагруженные актуаторы с диапазоном перемещения до 45 мкм для легких и средних нагрузок 

    Подробности
    0000
    0 шт
    -%
    Экономия
    Цена по запросу
    Варианты цен
    Цена по запросу
    Подробности
    Цена по запросу
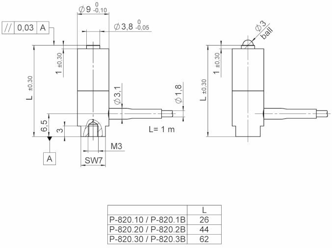
    Разрешение—0,45 нм
    • 0,15 нм
    • 0,3 нм
    • 0,45 нм
    Толкающее/ тянущее усилие—50/10 Н
    • 50/10 Н
    Диапазон перемещения—45 мкм
    • 15 мкм
    • 30 мкм
    • 45 мкм
    Осевая жесткость—4 Н/мкм
    • 13 Н/мкм
    • 4 Н/мкм
    • 7 Н/мкм
    Емкость—1 мкФ
    • 0,3 мкФ
    • 0,7 мкФ
    • 1 мкФ
    Резонансная частота—12 кГц
    • 12 кГц
    • 15 кГц
    • 22 кГц
    Примечания—С шариковым наконечником
    • Без шарикового наконечника
    • С шариковым наконечником
    В корзинуВ корзине
    Быстрый заказ
    Характеристики
    Диапазон перемещения 
    —
    до 45 мкм
    Жесткость 
    —
    до 13 Н/мкм
    Толкающее/тянущее усилие 
    —
    50/10 Н
    Резонансная частота без нагрузки 
    —
    до 22 кГц
    Электрическая емкость 
    —
    до 1 мкФ
    Разрешение
    —
    до 0,45 нм
    Вес 
    —
    до 14 г
    Длина 
    —
     до 62 мм
    Диапазон рабочих температур
    —
    от -40 до +80 °C
    Длина
    —
    62 мм
    Пусконаладка и обучение персонала
    Доступен лизинг, кредит, рассрочка
    Подберем оборудование под ваши задачи
    Гарантийное и постгарантийное обслуживание без привлечения производителя
    Бесплатная доставка
    • Описание
    • Применение

    PICMA™ P-820 имеют цельнокерамическую изоляцию. Это защищает их от влажности и выхода из строя в результате увеличения тока утечки. Приводы PICMA® имеют срок службы до десяти раз дольше, чем обычные приводы с полимерной изоляцией. 

    Ключевые особенности:

    • Долгий срок службы
    • Диапазон перемещения до 45 мкм
    • Ультракомпактный корпус
    • Максимальная нагрузка до 50 Н
    • Время отклика в мкс
    • Субнанометровое разрешение
    • Под заказ доступны версии с шариковым наконечником
    Документы
    P-820-Datasheet 1,8 мб
    P-820 User Information 956,8 кб
    Галерея
    0 фото —
    1/0 —

    Применение:

    • Статическое и динамическое точное позиционирование
    • Позиционирование волокна
    • Настройка лазеров
    • Нанотехнологии
    Все товары категории
    Все товары бренда Physik Instrumente (PI)
    Рекомендуем
    Сотовая монтажная оптическая плита
    Сотовая монтажная оптическая плита
    Цена по запросу
    Лазерные диоды накачки CM96Z, 980 нм, 200 - 600 мВт
    Лазерные диоды накачки CM96Z, 980 нм, 200 - 600 мВт
    Цена по запросу
    Неохлаждаемые диоды накачки UM96Z, 980 нм
    Неохлаждаемые диоды накачки UM96Z, 980 нм
    Цена по запросу
    Неохлаждаемые диоды накачки LU96Z, 980 нм
    Неохлаждаемые диоды накачки LU96Z, 980 нм
    Цена по запросу
    14 - pin лазерный модуль 1999CHP
    14 - pin лазерный модуль 1999CHP
    Цена по запросу

    Нужна консультация?

    Бесплатная консультация инженера
    Задать вопрос
    }
    Напишите нам

    Наши инженеры помогут вам с выбором или бесплатно проконсультируют

    Компания
    О компании
    Руководство
    Мероприятия
    Сертификаты
    Партнеры
    Документы
    Карьера
    Каталог
    Лазеры и лазерные системы
    Оптомеханика
    Контрольно-измерительное оборудование
    Волоконно-оптические линии связи (ВОЛС) и Радиофотоника
    Лазерные диоды
    Волоконно-оптические системы мониторинга
    Оптические и электрические разъемы
    Пассивные волоконные компоненты
    Элементы управления излучением
    Фотоприемники оптические
    Оптические волокна
    Оптические усилители
    Оптика
    Кристаллы
    Системы формирования изображения
    Технологическое оборудование волоконной оптики
    Образовательные наборы
    Терагерцовое оборудование
    Комплекты
    Технологическое оборудование
    Компоненты и оборудование для производства волоконно-оптических гироскопов
    Компоненты для дронов на оптоволокне
    Услуги
    Аудит производств
    Лаборатория «ЛЛС»: демонстрация оборудования
    Ремонт лазерных источников
    Тестирование вашего оборудования
    Возьмите оборудование на тест
    Обработка оптических волокон
    Сборка волоконных лазеров
    Оптические столы на заказ
    Проведение обучения по работе с оборудованием
    Индивидуальные консультации
    +7 (812) 507-81-00
    +7 (812) 507-81-00Санкт-Петербург
    +7 (499) 490-61-00Москва
    +7 (423) 205-48-00Новосибирск
    +7 (423) 205-48-00Владивосток
    +7 (812) 507-81-00Пермь
    Заказать звонок
    info@lenlasers.ru
    199034, г. Санкт-Петербург, Биржевая линия, д. 16, офис 401
    • Вконтакте
    • Telegram
    • YouTube
    ЛЛС © , 2026. Все права защищены.
    Способы оплаты Пользовательское соглашение Политика конфиденциальности Карта сайта