Новый детектор одиночных фотонов от Wooriro
Wooriro Co. Ltd. – первая компания оптических коммуникаций в Южной Корее, основанная в декабре 1998 года. На её базе происходит разработка и производство различных оптических компонентов для систем связи и телекоммуникаций, а также диоды и фотоприемники на основе InGaAs/InP для высокочувствительного сенсинга и дальнометрии.
Компания продолжает работу над созданием новых решений в области квантовых технологий и сенсинга.Такие фотодетекторы, сохраняя характеристики пигтейлированных моделей, могут успешно применяться в:
Так Wooriro представляет новый детектор одиночных фотонов (англ. Single Photon Avalanche Detector – SPAD) c free-space оптическим вводом в корпусе ТО-8.
- Системах ЛИДАР
- Материаловедении
- Газовом сенсинге
- Квантовом распределении ключей (QKD) в свободном пространстве
- Исследованиях люминесценции

Внешний вид SPADа
Фотодетектор оптимизирован для работы в асинхронном (free-running) режиме. Внутрь диода интегрирована трёхуровневая система термоэлектрического охлаждения, обеспечивающая рекордно малый темновой ток и широкий диапазон рабочих температур.

Вид фотодетектора в разрезе
Фотодетектор использует оптическую обратную связь с функцией усиления тока, что обуславливает его высокие показатели по основным характеристикам:
- Диапазон рабочих длин волн: 1000-1600 нм
- Чувствительность: 0.8 А/Вт @ 1550 нм и без усиления
- Квантовая эффективность: 70%
- Частота темнового счёта: <10 кГц
- Темновой ток: 1 нА
- Полная ёмкость: 0.1 пФ

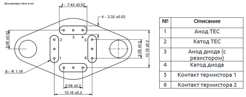
Вид фотодетектора снизу и схема распиновки
АО «ЛЛС» является эксклюзивным дистрибьютором и представляет весь спектр продукции Wooriro Co. Ltd. на территории РФ и стран СНГ и предлагает наиболее выгодные условия поставки продукции, полную техническую поддержку. Получить дополнительную информацию вы можете, обратившись в нашу компанию.