Официальный дистрибьютор FEMTO в РФ и странах Таможенного Союза АО «ЛЛС» предлагает наиболее выгодные условия поставки продукции FEMTO, полную техническую поддержку, а также поставку образцов.
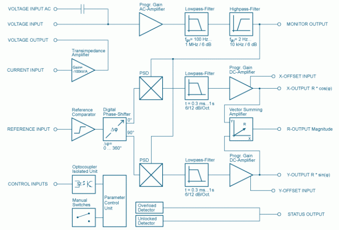
Компания FEMTO разработала синхронный усилитель, простой, готовый к использованию, с высокой производительностью за разумную цену. Синхронные усилители серии LIA-MV(D)-200 выполнены в виде автономных единиц, которые могут быть запрограммированы как вручную, с помощью передней панели переключателей, так и удаленно с помощью цифрового интерфейса. С помощью ПК со стандартной цифровой платой ввода / вывода можно легко управлять всеми основными настройками: чувствительности, временной константы и фазового сдвига. Таким образом, серия LIA-MVD-200 синхронных усилителей является идеальным инструментом для интеграции в сложные, автоматизированные системы.
ОСОБЕННОСТИ:
- Двухфазный;
- Прочный алюминиевый корпус;
- BNC разъемы для входных и выходных сигналов;
- Рабочая частота 5 Гц до 120 кГц;
- Сдвиг фазы в пределах 0 °… + 360 °;
- Вход тока и напряжения;
- Дополнительный модуль генератора опорного сигнала SOM-1.
АО «ЛЛС» является официальным дистрибьютором компании FEMTO на территории Российской Федерации и стран Таможенного Союза, и предлагает наиболее выгодные условия поставки продукции, полную техническую поддержку, а также поставку образцов.
ОБЛАСТЬ ПРИМЕНЕНИЯ:
- Спектроскопия;
- Стабилизация лазера;
- Люминесценция, флуоресценция, измерения фосфоресценции;
- Измерения рассеяние света;
- Оптоэлектронный контроль качества;
- Интеграция в промышленных и научных измерительных систем.
